增量编码器输出接口

      每次轴旋转一定角度时,增量式旋转编码器都会产生一个输出信号。每圈的信号(脉冲)数量定义了设备的分辨率。增量编码器不输出绝对位置,这使得编码器的内部元件更加简单和经济。

除了位置跟踪,增量编码器通常用于确定速度。可以通过计算脉冲数来计算相对于起点的位置。可以通过将脉冲数除以测量的时间间隔来检索速度。

增量编码器输出接口基本原理

       增量旋转编码器在单条传输线上提供串行输出信号。一个传感器必须连接到一个控制器。

增量编码器至少有 1 个输出信号“A”或通常有 2 个输出信号,称为“A”和“B”。这 2 个信号设置有 90° 偏移,这是检测编码器旋转所必需的。顺时针转动编码器,“A”脉冲比“B”脉冲上升 90°,逆时针转动轴,“B”脉冲比“A”脉冲上升。

       此外,一些增量旋转编码器输出“Z”信号。每旋转一次,此 Z 信号通常在完全相同的位置上升 90°。这可以用作准确的参考点。

       一些增量编码器还具有附加的差分信号,称为“/A”、“/B”和“/Z”。这些信号是反相的“A”、“B”和“Z”信号。控制器可以比较每一对(“A”必须等于倒置的“/A”),以确保传输过程中没有错误。

       此外,通过双绞线电缆传输差分信号可提高传输灵敏度。

增量编码器输出接口

编码器特性:

每转脉冲数 (PPR)

      增量旋转编码器每转输出一定数量的脉冲。这个 PPR 数越高,每个脉冲之间的角度越小。此 PPR 编号对于普通增量编码器是固定的。可编程增量编码器可以通过软件更改将此值调整为所需的数字

输出驱动器:

      如今,大多数增量编码器都具有推挽 (HTL) 或 RS422 (TTL) 输出驱动器,这些驱动器已经取代了大多数旧的输出电路,如集电极开路 NPN、集电极开路 PNP、电压输出。

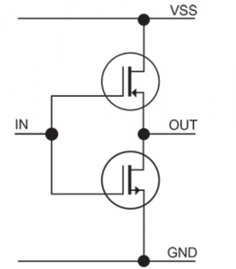
  1. A) 推挽式 (HTL)

       推挽 (HTL) 电路,也称为图腾柱,提供与施加的电源电压相对应的信号电平。电源电压通常为 5-26 VDC。

增量编码器输出接口

       通过正确的连接,您可以使用 Push Pull 接口来替换真正的集电极开路电路,方法是使用连接的外部二极管来限制电流方向

  1. B) RS422 (TTL)

       RS422 (TTL) 电路提供不依赖于电源电压的恒定 5 V 信号电平。有两个电源电压范围可供选择:4.75 至 5.5 VDC(可用于替代集电极开路输出驱动器)或 8 至 30 VDC。使用差分信号的编码器,输出完全符合 RS422 标准。

增量编码器输出接口

       差分编码器具有最高的频率响应能力和最佳的抗噪能力。为了确保这一点,接收器也应该是差分的。

更换旧的输出驱动器

1)PNP集电极开路更换(电流源)

增量编码器输出接口

2) NPN 集电极开路替换(Current Sink)

增量编码器输出接口

电压输出电平:

      逻辑门将某些输入电压解释为高(逻辑 1)或低(逻辑 0)。
TTL(晶体管-晶体管逻辑):高于 2 V 的信号被解释为逻辑 1,低于 0.8 V 的信号被解释为逻辑 0。输出电压范围在 0-5 V 之间。
HTL(高阈值逻辑) :高于 3 V 的信号为逻辑 1,低于 1 V 的信号为逻辑 0。高输出信号电平取决于电源电压。由于逻辑 0 和 1 之间的电压差较大,HTL 逻辑对干扰的抵抗力更强,对电噪声的抵抗力更强。

正交:

      每 90 ° 增量编码器在“A”或“B”输出端输出一个上升沿或下降沿,可以解释为计数。如果编码器输出 1000 PPR,计数器可以解释 4000 个计数(每个脉冲 4 个计数)。

占空比:

      占空比描述了增量编码器的“高”时间与“低”时间之间的比率。通常,该比率为 50/50,相当于 180 ° 高和 180 ° 低。
磁性增量编码器的性能随着更高的 PPR 设置和更高的旋转速度 (RPM) 而提高。这与性能下降的光学编码器形成对比。我们的数据表中所述的 DNL 和 INL 精度是最坏情况下的值,更高的 PPR 和 RPM 可以预期更好的性能。

频率响应:

      这是编码器能够通过输出线输出的最大频率。例如,以 600 RPM 旋转的 200 PPR 编码器的频率为 2000 Hz(200*600/60s)。

 

定制你的专属传感器!