手持盒脉冲增量旋转编码器TM1474系列
- 应用行业:工业自动化
- 产品结构:手持盒
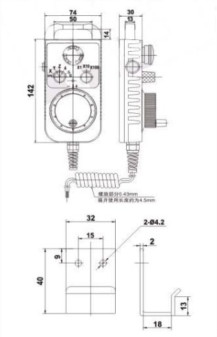
- 尺寸(mm):142*74
- 分辨率(CPR):25、100
- 工作电压:5/5~26V
- 输出电路:电压输出,RS422(线路驱动)
- 品名:手持盒脉冲增量旋转编码器TM1474系列
- 可定制
产品描述
本系列产品应用于数控机床原点修正和信号分割。全塑料外壳,绝缘强度高,具有轴转换开关,防油污密封设计,具备×1,×10,×100三档倍率,可实现6轴及倍率切换。如有需要请联系我们。
手持盒脉冲增量旋转编码器型号

电气特性
输出电路 | 集电极开路输出 | 电压输出 | 互补型输出 | 线线驱动输出 |
供电电压 | 5~26V | 5~26V | 5±0.25 5~26V | 5±0.25 5~26V |
消耗电流 | ≤80mA | ≤80mA | ≤80mA | ≤150mA |
负载电流 | 40mA | 40mA | 40mA | 60mA |
输出高电平 | Min Vcc*70% | Min Vcc-2.5V | Min Vcc-1.5V | Min 3.4V |
输出低电平 | MAX 0.4V | MAX 0.4V | MAX 0.8V | MAX 0.4V |
上升时间 Tr | MAX 1us | MAX 1us | MAX 1us | MAX 200ns |
下降时间e Tf | MAX 1us | MAX 1us | MAX 1us | MAX 200ns |
最高响应频率 | 10kHz | 10kHz | 10kHz | 10kHz |
机械特性
最大转速r/min | 工作温度 | 存储温度 | 防护等级 | 重量 |
600 | -25~80ºC | -25~85ºC | IP50 | 650g |

外形尺寸
接线表


您可能还会喜欢…
-
计数器增量编码器信号显示仪数显仪表HB961系列
Encoder Indicator- 测 量 精 度 :0.5 % 满 刻 度 2 字
- 相 对 湿 度 : 2 0 – 8 5 % R H
- 响 应 频 率 :≤ 1 0 K H z
- 库 存 温 度 :- 10 ~ 7 0 o C
- 触 点 寿 命 :1000000 次
- 工 作 电 源 :A C 2 2 0 V
- 数 码 尺 寸 :0 .56英寸
- 触 发 方 式 :N P N、P N P可设定
- 触 点 容 量 :A C 220V/3 A;DC 24V/5 A
- 工 作 温 度 :0-50oC
- 品名 :计数器增量编码器信号显示仪数显仪表HB961系列
- 可按客户要求定制
相关产品
-
Manual Pulse Generator
手持盒脉冲增量旋转编码器TM1274系列
-
Manual Pulse Generator
手持盒脉冲增量旋转编码器TM1469系列
-
Manual Pulse Generator
手持盒脉冲增量旋转编码器TM2188系列
-
Manual Pulse Generator
手持盒脉冲增量旋转编码器TM2080系列











