轴套型增量旋转编码器GHB38系列
- 应用行业:工业自动化
- 产品结构:盲孔轴套型
- 外径(mm):38
- 孔径/轴径(mm):6mm,8mm
- 分辨率(CPR):100~3600
- 工作电压:5~26Vdc
- 输出电路:电压输出、推挽、集电极开路、RS422(线路驱动)
- 防护等级:IP54(默认)或 IP65
- 品名:轴套型增量旋转编码器GHB38系列
- 可定制
产品描述
轴套型增量旋转编码器GHB38系列内部采用ASIC器件,可靠性高,寿命长,抗干扰性能强。不锈钢主轴具有更高的稳定性和防护能力,金属外壳更加牢固抗冲击。出线端金属接口套防水保护应用于自动控制、测量、机器人、X-Y工作、印刷包装、计算机设备及数控设备。如有需要请联系我们。
轴套型增量旋转编码器型号

电气特性
输出电路 | 集电极开路 | 电压输出 | 互补型输出 | 长线驱动输出 |
电源电压Vcc | 5~26 | 5~26 | 5±0.25 5~26 | 5±0.25 5~26 |
消耗电流 | ≤80mA | ≤80mA | ≤80mA | ≤150mA |
负载电流 | 40mA | 40mA | 40mA | 60mA |
输出H高电平 | 最小Vcc*70% | 最小Vcc-2.5V | 最小Vcc-1.5V | 最小3.4V |
输出低高电平 | 最大0.4V | 最大0.4V | 最大0.8V | 最大0.4V |
上升时间Tr | MAX 1us | MAX 1us | MAX 1us | MAX 200ns |
下降时间Tf | MAX 1us | MAX 1us | MAX 1us | MAX 200ns |
最高频率响应 | 300kHz | 300kHz | 300kHz | 300kHz |
机械特性
每分钟最大转速r/min | 起动扭矩 | 轴最大负荷 | 抗冲击 | 抗振动 |
6000 | <0.05Nm | 径向50N 轴向20N | 50G/11ms | 10G 10~2000HZ |
转动惯量 | 工作温度 | 储存温度 | 防护等级 | 重量 |
4×10-8 | -30~85℃ | -35~95℃ | IP51 | 100g |
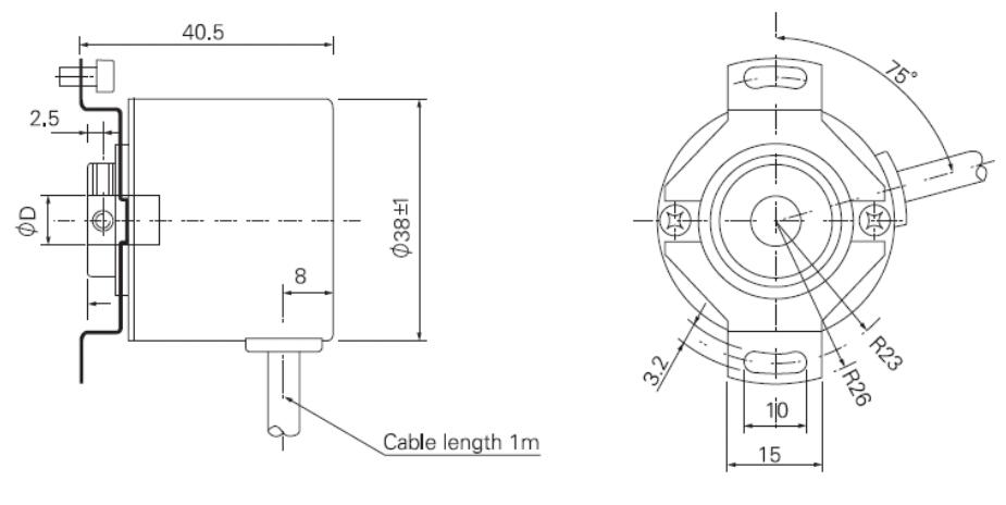
外形尺寸

接线表
信号 | A | B | Z | A- | B- | Z- | Vcc | GND |
颜色 | 绿 | 白 | 黄 | 棕 | 灰 | 橙 | 红 | 黑 |
无反相信号 | 绿 | 白 | 黄 | – | – | – | 红 | 黑 |
您可能还会喜欢…
-
速度双显数字仪表BL9648-II系列
Encoder Indicator- 品名:速度双显数字仪表BL9648-II系列
- 倍率范围:000~999.999
- 显示范围:-999999~999999
- 脉冲电平:低电平:-50V~0.5V 高电平:5~50V
- 触点容量:AC220V1A DC24V1A
- 安装方式:卡入式
- BL9648型显示仪是一个六位显示的位置、控制、速度显示模块。可广范应用于工业控制领域。
- 国际通用的96×48×115mm标准机箱,六位56英寸数码管显示。
- 输入脉冲 信号。
- 设有外部清零端子,可由外部开关控制清零。
- 设定两个控制值,两路继电器输出,可用于控制或报警。
- 可选3种继电器输出方式。
- 可设定自动延时复位时间,实现自动延时复位功能。
- 峰值显示功能。
- 可计数/计速,由内部参数设置。
- 参数设定密码保护功能。
- 当前计数值、设定值掉电不丢失。
- 可设定倍率,确定输入信号与显示值之间的比例关系。
- 外接传感器:角、线位移光栅传感器,给传感器提供5V(100mA)、12V(100mA)供电。
- 校准功能:可设定9个校准点,从而实现线性差补功能。
-
计数器增量编码器信号显示仪数显仪表HB961系列
Encoder Indicator- 测 量 精 度 :0.5 % 满 刻 度 2 字
- 相 对 湿 度 : 2 0 – 8 5 % R H
- 响 应 频 率 :≤ 1 0 K H z
- 库 存 温 度 :- 10 ~ 7 0 o C
- 触 点 寿 命 :1000000 次
- 工 作 电 源 :A C 2 2 0 V
- 数 码 尺 寸 :0 .56英寸
- 触 发 方 式 :N P N、P N P可设定
- 触 点 容 量 :A C 220V/3 A;DC 24V/5 A
- 工 作 温 度 :0-50oC
- 品名 :计数器增量编码器信号显示仪数显仪表HB961系列
- 可按客户要求定制
相关产品
-
Hollow Shaft Encoder
电梯正余弦增量编码器ERN1387系列
-
Hollow Shaft Encoder
空心轴旋转伺服编码器GSM48系列
-
Hollow Shaft Encoder
空心轴旋转增量编码器GHH150系列
-
Hollow Shaft Encoder
盲孔轴增量旋转编码器GHB38系列










